[Fechar]
Tuerca de Fijación
BGL KML 40
Foto
Clique para ampliarClique para ampliar
Diseño Tecnico
Clique para ampliarClique para ampliar
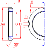
Dimensiones:
G:M 200x3 Medida de la Rosca
Dm:240 mm Diametro Externo
B:29 mm Espesura
D:222 mm Medida del Chanfle
m:18 mm Ancho del Corte
n:8 mm Profundidad del Corte
Peso:
2.654 kg
Utilizada en conjunto com:
Arandela de TrabaMBL 40
Herramientas (no están incluidas):
Llave de GanchoHN 38
volver
Buscar por codigo:
 
| PortuguêsPortuguês | EnglishEnglish | EspañolEspañol | DeutschDeutsch |
No encontro la pieza que buscaba? Fabricamos piezas especiales a pedido, consultenos.
www.bgl.com.br  info@bgl.com.br
Este catálogo fue hecho con el objetivo de evitar errores eventuales que puedan suceder. BGL se reserva en derecho de cambiar las especificaciones cuando sea necesario sin previo aviso.
Copyright © 2006-2026 Bertoloto & Grotta Ltda. Todos los derechos reservados.