[Fechar]
Spannhülse
BGL H 2320 E
Bild
Klicken zum VergrößernKlicken zum Vergrößern
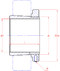
Technische Zeichnung
Klicken zum VergrößernKlicken zum Vergrößern
Größe:
d1:90 mm Wellendurchmesser
d:100 mm Wälzlager ID
G:M 100x2 mm Gewinde
l:97 mm Länge
Dm:130 mm Mutter Außendurchmesser
P:M 8 mm Sicherungsschraubenmutter
Gewicht:
1.998 kg
Konizität:
1:12
Kompatible Wälzlager:
Begleiten:
Mutter und SicherungKMFE 20
Werkzeuge (nicht enthalten):
HakenschlüsselHN 20
HydraulikmutterHMV 20E
zurück
Suche nach Teilenummer:
 
| PortuguêsPortuguês | EnglishEnglish | EspañolEspañol | DeutschDeutsch |
Wenn Sie nicht finden, wonach Sie suchen, oder ein spezielles Teil benötigen, kontaktieren Sie uns bitte.
www.bgl.com.br  info@bgl.com.br
Dieser Katalog wurde mit der Absicht erstellt, eventuelle Fehler zu vermeiden. BGL behält sich das Recht vor, Spezifikationen ohne vorherige Ankündigung zu ändern.
Copyright © 2006-2026 Bertoloto & Grotta Ltda. All rights reserved.